Генератор
Каждый водитель знает, что исправная работа электрогенератора – залог надежности автомобиля. С течением времени некоторые элементы этого устройства могут
Важно обращать внимание на качество и совместимость детали с вашим автомобилем. Рекомендуется выбирать узел от проверенных производителей, таких как Gates или Contitech.
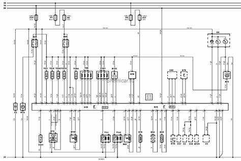
Правильное функционирование электрической схемы автомобиля играет ключевую роль в его надежности. Каждый компонент, от проводки до защитных устройств
Автомобилисты сталкиваются с ситуациями, когда устройства, отвечающие за подачу электричества, не выполняют свои функции должным образом.
Перед началом процесса следует обратить внимание на правильное размещение устройства. Установите его на стандартные крепления, предварительно очистив поверхность
Разработка технологий и инновационные подходы к созданию различных механизмов раскрывают множество возможностей для тех, кто стремится обеспечить эффективную
При возникновении проблем с электроагрегатом автомобиля рекомендуется в первую очередь провести диагностику системы заряда. Проверьте наличие повреждений
Процесс извлечения компонента, отвечающего за выработку энергии в автомобиле, является важным этапом технического обслуживания. При наличии необходимых
Для улучшения работоспособности вашего устройства рассмотрите возможность установки высокоэффективных диодов. Это простое обновление может значительно
Первым шагом станет отключение аккумулятора. Это необходимо для предотвращения короткого замыкания и обеспечения безопасности во время работы с электрическими компонентами.









