Каждый автолюбитель знает, что поддержание оптимальных температурных показателей является залогом долговечной и бесперебойной работы мотора. Функции, направленные на контроль тепловых потоков, имеют критическое значение для функционирования транспортного средства в любых условиях. Важность таких механизмов нельзя недооценивать, так как от их состояния зависит не только производительность двигателя, но и безопасность самого автомобиля.
В этой статье мы рассмотрим ключевые аспекты, касающиеся организации терморегуляции в современных автомобилях, а также предложим ряд рекомендаций по их обслуживанию. Знания о конструктивных элементах и принципах работы этих систем помогут избежать многих проблем, связанных с перегревом или недостаточной работой двигательной установки. Уделяя внимание деталям, вы сможете обеспечить надёжную эксплуатацию вашего транспортного средства на долгие годы.
В процессе эксплуатации автомобиля возникают различные факторы, влияющие на эффективность работы терморегуляционных механизмов. Понимание этих процессов и умение реагировать на возникающие неполадки – важные навыки, которые смогут поддержать ваш автомобиль в отличном состоянии. Следуя приведённым рекомендациям, вы снизите риски и продлите срок службы своего автомобиля, наслаждаясь безопасной и комфортной поездкой.
- Обзор системы охлаждения Opel Mokka
- Ключевые компоненты охладителя
- Принцип работы охлаждения двигателя
- Типы охлаждающих жидкостей для Opel
- Проблемы и их симптомы
- Регулярное техническое обслуживание автомобиля
- Эффективные рекомендации по предотвращению перегрева
- Замена компонентов: когда и как
- Специальные рекомендации для зимнего периода
- Рекомендации по выбору качественной охлаждающей жидкости
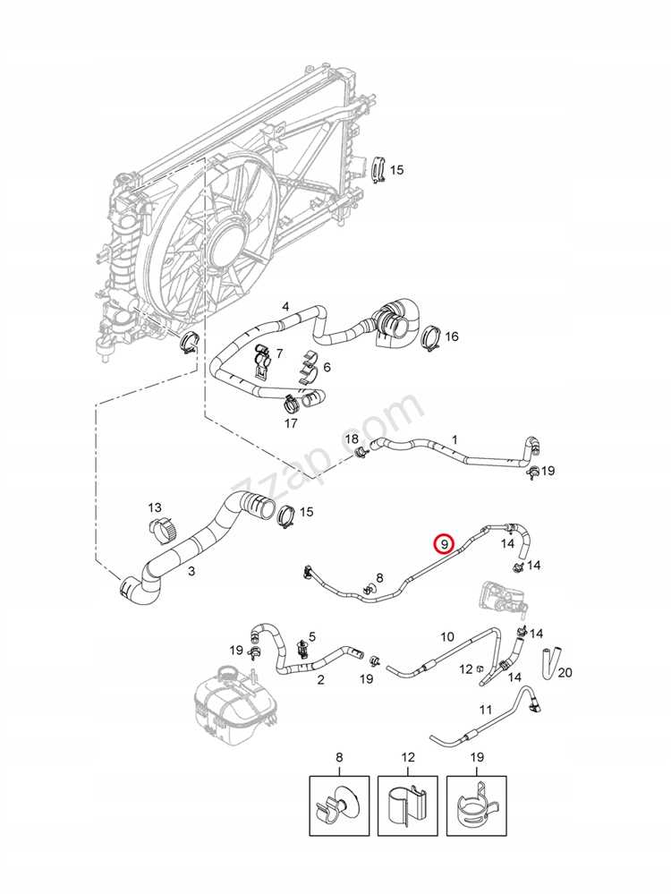
Обзор системы охлаждения Opel Mokka
Элементы привода включают:
- Радиатор, который отвечает за теплообмен;
- Насос, осуществляющий циркуляцию жидкости;
- Термостат, регулирующий поток охлаждающей жидкости.
Ключевые черты конструкции включают:
- Инновационные решения, обеспечивающие быстрое нагревание после холодного запуска;
- Долговечные материалы, которые гарантируют надежность в эксплуатации;
- Легкий доступ к основным компонентам для обслуживания и ремонта.
Регулярный мониторинг состояния всех элементов способствует увеличению срока службы и предотвращает возможные проблемы. Важно обращать внимание на возможные утечки жидкости и контролировать уровень в расширительном бачке. При необходимости следует проводить диагностику и замену изношенных частей.
Для продления жизни данного механизма важно соблюдать следующие рекомендации:
- Проводить своевременную замену грунтовки;
- Использовать рекомендованные жидкости определенной спецификации;
- Регулярно проверять работоспособность термостата.
Следует помнить, что правильная работа данного устройства значительно влияет на общую динамику самого автомобиля и его функциональные возможности. При грамотном подходе вы сможете избежать множества неприятных последствий.
Ключевые компоненты охладителя
Основным элементом является радиатор, который отвечает за обмен тепла с окружающей средой. Процесс теплоотведения происходит через охлаждающую жидкость, циркулирующую в системе. Важно, чтобы этот компонент был в хорошем состоянии и не имел повреждений, что может привести к перегреву.
Водяной насос обеспечивает приток жидкости к радиатору и способствует ее циркуляции в замкнутом контуре. Работа насоса напрямую влияет на скорость и эффективность теплообмена. Регулярная замена и проверка состояния насоса могут предотвратить серьезные поломки.
Термостат управляет потоком охладительной жидкости и открывается при достижении двигателя определенной температуры. Это позволяет поддерживать оптимальный температурный режим, предотвращая как перегрев, так и слишком быстрое остывание.
Дополнительные компоненты, такие как шланги и датчики температуры, также играют важную роль. Состояние шлангов критично для беспрепятственной циркуляции жидкости, а датчики позволяют контролировать температуру и своевременно реагировать на изменения.
Оптимальная работа каждого из этих элементов обеспечивает эффективный теплоотвод, что, в свою очередь, предотвращает потенциальные проблемы, связанные с перегревом и поломками двигателя.
Принцип работы охлаждения двигателя
Основной целью данной системы является отвлечение лишнего тепла от мотора. Когда температура достигает определенного уровня, специализированные жидкости начинают циркулировать, улучшая отвод тепла и обеспечивая его равномерное распределение. В результате происходит поддержание комфортного температурного режима, что повышает не только надежность работы двигателя, но и его КПД.
Ключевым моментом в этом процессе является взаимодействие различных элементов, таких как насосы, радиаторы и термостаты. Каждый из них играет важную роль, обеспечивая беспрепятственный поток теплоносителя, что в свою очередь препятствует перегреву мотора. Такой подход к регуляции температуры помогает избежать негативных эффектов, которые могут возникнуть в случае перегрева, включая деформацию деталей и сокращение срока службы агрегата.
Важно помнить, что регулярная проверка уровня жидкости и ее состояния, а также исправность узлов, способствующих терморегулированию, являются залогом надежного функционирования автомобиля. Применение качественных охладительных жидкостей и следование рекомендациям производителя помогут сохранить систему в оптимальном состоянии, обеспечивая долговечность и производительность мотора.
Типы охлаждающих жидкостей для Opel
Антифризы, как правило, делятся на два основных типа: на основе этиленгликоля и пропиленгликоля. Первый имеет лучшие эксплуатационные свойства при низких температурах, что делает его идеальным для зимних условий. Второй более безопасен в случае пролития, что позволяет использовать его в автомобилях, где возможно контактирование с животными или детьми.
Также важно упомянуть о различных добавках в состав охлаждающих растворов. Они направлены на предотвращение образованием накипи, коррозии и других негативных процессов, что может существенно продлить срок службы всех термообменных элементов агрегата.
При выборе жидкости нужно учитывать её совместимость с материалами, используемыми в двигателе и радиаторе. Неправильный выбор может привести к серьезным поломкам и необходимости дорогого ремонта. Поэтому рекомендуется обращаться к рекомендациям производителя автомобиля при покупке охлаждающего раствора.
Проблемы и их симптомы

При эксплуатации автомобиля владельцы могут столкнуться с рядом неприятностей, связанных с системойThermal Management. Ознакомление с характерными признаками сбоев позволяет своевременно выявить и устранить неисправности, что, в свою очередь, предотвращает серьезные повреждения двигателя и повышает долговечность автомобиля.
Одним из основных тревожных сигналов является перегрев силового агрегата. Если указатель температуры на панели приборов показывает аномальные значения, это может свидетельствовать о недостатке жидкости, неполадках в насосе или засорении радиатора. Важно оперативно отреагировать на такие изменения, чтобы избежать критических ситуаций.
Также стоит обратить внимание на наличие подтеков антифриза. Неправильная работа уплотнений или шлангов может привести к утечкам. Если под автомобилем появляются следы жидкости, это один из явных индикаторов необходимости проверки герметичности соединений.
Посторонние звуки, такие как свист или гул, особенно во время работы мотора, могут указывать на повреждения в насосе. Эти симптомы требуют немедленного обследования, поскольку игнорирование проблемы может привести к полной несостоятельности компонента.
Кроме того, резкое изменение уровня охлаждающей жидкости без видимых утечек может указывать на попадание жидкости в двигатель, что требует серьезного ремонта. Без должного внимания эти признаки могут привести к затратам на восстановление после аварийных ситуаций.
Появление задымления, особенно белого или синего цвета, также может быть связано с неисправностями. Это может говорить о перегреве или о том, что антифриз сгорает вместе с топливом, что требует немедленного вмешательства специалиста.
Регулярное техническое обслуживание автомобиля
Следует помнить о важности выполнения рядов мероприятий, которые помогут избежать серьезных поломок в будущем. Вот основные из них:
- Проверка уровня и состояния жидкости, отвечающей за терморегуляцию.
- Замена жидкости согласно предписаниям производителя.
- Проверка состояния радиатора и шлангов на наличие трещин и утечек.
- Обслуживание вентилятора и насоса для уверенности в их работоспособности.
- Периодическая очистка от загрязнений зон вокруг агрегатов для улучшения теплоотведения.
Также важно учитывать сроки и пробег для выполнения всех необходимых работ. Рекомендуется фиксировать данные о техобслуживании для мониторинга состояния автомобиля и соблюдения указанных интервалов обслуживания.
- Визуальная проверка: ознакомьтесь с внешним состоянием ключевых компонентов.
- Запись показателей: фиксируйте состояния и уровни для всестороннего анализа.
- Проведение диагностики: используйте оборудование для выявления скрытых неполадок.
Регулярный контроль и рекомендованный уход обеспечивают автомобилю надёжную работу, что в свою очередь способствует вашей безопасности и экономии на ремонте в дальнейшем.
Эффективные рекомендации по предотвращению перегрева
- Регулярно проверяйте уровень жидкости в радиаторе и добавляйте при необходимости. Это поможет избежать недостатка теплоотводящего элемента.
- Следите за состоянием шлангов и соединений. Убедитесь, что они не имеют трещин или изломов, что может привести к утечкам.
- Периодически очищайте радиатор от загрязнений. Неизвестные элементы на поверхности могут снижать эффективность теплообмена.
- Обращайте внимание на работу вентилятора. Неправильное функционирование может вызвать увеличение температуры; убедитесь в его исправности.
В дополнение к этим рекомендациям важно быть внимательным к сигналам, которые подает ваш автомобиль. Если возникают подозрения на перегрев, нужно немедленно остановиться и проконтролировать работоспособность элементов. Не забывайте о грамотной эксплуатации в экстремальных условиях, таких как жаркая погода или длительные поездки.
- Избегайте частых пробок, где мотор работает на повышенных оборотах без достаточного охлаждения.
- При планировании дальних поездок ознакомьтесь с состоянием вашего транспортного средства заранее.
- Используйте качественные жидкости, рекомендуемые производителем, для предотвращения разрушения элементов системы терморегулирования.
Применение указанных выше практик позволит минимизировать риски перегрева двигателя, сохраняя его работоспособность на высоком уровне.
Замена компонентов: когда и как
Обновление ключевых элементов системы терморегуляции необходимо, чтобы поддерживать рабочую эффективность автомобиля. Своевременная замена изношенных частей предотвращает серьезные поломки и продлевает срок службы мотора. Важно уметь распознавать признаки, указывающие на необходимость замены.
Когда следует производить замену? Необходимо обращать внимание на такие симптомы, как утечки жидкости, перегрев двигателя и странные звуки от подкапотного пространства. Если температура превышает норму, или уровень охлаждающей жидкости постоянно снижается, это может свидетельствовать о повреждении радиатора, насоса или термостата.
Как заменить компоненты? Процесс может варьироваться в зависимости от конкретной детали, но в большинстве случаев начинается с отключения аккумулятора для обеспечения безопасности. Затем следует слить жидкость и удалить старые элементы. Установка новых производится в обратном порядке. Рекомендуется проконсультироваться с руководством пользователя или обратиться к специалисту, если есть сомнения в своих силах.
Полезные рекомендации: Используйте только качественные запчасти, соответствующие модельному ряду вашего автомобиля. Обязательно проверяйте все соединения после замены, чтобы избежать утечек. Не забывайте о регулярной проверке состояния новых компонентов, особенно в силу возраста вашего транспортного средства.
Специальные рекомендации для зимнего периода
Зима приносит свои вызовы для работы моторов автомобилей. Низкие температуры могут негативно сказаться на функциональности охлаждающих систем, поэтому важно учитывать несколько ключевых аспектов, чтобы обеспечить надежную работу в холодное время года. Применение правильных методов позволит избежать неполадок и продлить срок службы агрегатов.
Для первых холодных дней стоит обратить внимание на уровень жидкости. Отдельную роль играет выбор антифриза, который должен сохранять свои свойства при низких температурах. Рекомендуется использовать продукцию, заявленную производителем, а также проверять состояние и концентрацию антифриза перед зимой.
Также важно следить за состоянием резинотехнических изделий, таких как уплотнительные кольца и шланги. В результате воздействия низких температур они могут терять свою эластичность, что может привести к утечкам. При необходимости замените изношенные детали. Кроме того, стоит обеспечить защиту от замерзания системы, что актуально для тех, кто оставляет автомобиль на улице на длительный срок.
С учетом вышеописанного, можно выделить несколько важных пунктов, которые помогут поддерживать исправное состояние системы:
| Рекомендация | Описание |
|---|---|
| Проверка уровня антифриза | Регулярно измерять уровень и оценивать его состояние. В случае необходимости долить или заменить. |
| Использование качественной жидкости | Выбор продукции, предназначенной для холодного климата, чтобы избежать замерзания. |
| Контроль состояния шлангов | Проверка на наличие трещин, износа или других дефектов перед началом зимы. |
| Защита от замерзания | Применение утепляющих чехлов или использование антифриза с требуемыми свойствами для предотвращения замерзания. |
| Своевременное обслуживание | Регулярные проверки всех узлов, чтобы выявить возможные повреждения до наступления морозов. |
Соблюдение вышеозначенных рекомендаций позволит не только избежать частых поломок, но и обеспечить надежную эксплуатацию автомобиля даже в суровых зимних условиях. Проверяйте все детали на наличие неисправностей, и ваш транспорт будет служить верой и правдой.
Рекомендации по выбору качественной охлаждающей жидкости

Правильный выбор охлаждающей жидкости играет важную роль в поддержании работоспособности мотора. Качественный продукт обеспечивает защиту от перегрева, коррозии и образования отложений. При этом следует учитывать не только характеристики самого антифриза, но и его совместимость с материалами, используемыми в автомобиле.
Вот несколько ключевых аспектов, на которые стоит обратить внимание при выборе охлаждающей жидкости:
| Критерий | Описание |
|---|---|
| Тип антифриза | Существует несколько видов: однокомпонентные и многофункциональные. Выбор зависит от характеристик двигателя и рекомендаций производителя. |
| Цвет | Цвет может варьироваться от зеленого до красного и даже синего. Он не всегда указывает на качество, но может сигнализировать о типе добавок. |
| Срок службы | Разные жидкости имеют свои сроки замены. Важно следить за рекомендациями производителя для предотвращения потери защитных свойств. |
| Производитель | Отдавайте предпочтение известным брендам. Они чаще проходят строгий контроль качества и обеспечивают необходимые стандарты. |
| Совместимость | Перед покупкой необходимо убедиться в совместимости с другими жидкостями, уже находящимися в системе. |
Следуя этим рекомендациям, можно существенно повысить эффективность работы двигателя и продлить срок службы его компонентов.







