Для успешного выполнения установки обратите внимание на надежность соединений и предотвратите контакт между проводами, что может привести к короткому замыканию. Используйте качественные разъемы и изолируйте оголенные участки проводов, чтобы обеспечить безопасность эксплуатации устройства. Тщательность и внимание к мелочам являются залогом успешной и долгосрочной работы системы помощи при парковке.
- Обзор типов трехконтактных сенсоров для системы парковки
- Назначение контактов устройства
- Установка и подключение устройства к автомобилю
- Инструменты для работы с распиновкой
- Цветовая кодировка проводов и ее значение
- Проверка работоспособности после подключения
- Решение распространенных проблем системы парковки
- Советы по защите проводки и сенсора от повреждений
- Инструкции по замене парковочного сенсора
- Совмещение сенсора с системой автомобиля
Обзор типов трехконтактных сенсоров для системы парковки
Существует несколько типов трехконтактных сенсоров, которые отличаются принципом работы и конструкцией. Каждый вариант может подходить под разные условия эксплуатации и требующейся функциональности.
Ультразвуковые модели используют звуковые волны для определения расстояния до препятствия. Они обеспечивают точное измерение и хорошо справляются с различными погодными условиями. Эти устройства могут фиксировать расстояние до объектов на расстоянии до двух метров, что делает их универсальными для городских условий.
Инфракрасные устройства применяют инфракрасное излучение для детекции объектов. При их работе выделяется меньше энергии, что продлевает срок службы. Эти сенсоры часто используются в условиях с плохой видимостью, но их чувствительность может снижаться при ярком солнечном свете.
Радарные сенсоры используют радиоволны для определения расположения объектов. Они обеспечивают высокую степень надежности и имеют широкую рабочую зону. Такие устройства могут быть полезны для парковки в сложных условиях, например, на узких улицах или на многоуровневых платформах.
Выбор типологии зависит от специфики применения. Для городской среды подойдут ультразвуковые модели, где важна высокая точность. Инфракрасные устройства могут быть предпочтительнее в условиях, где требуется работа в тени или в условиях ограниченной видимости. Радарные сенсоры обеспечат максимальную надежность и стабильность при любых погодных условиях.
Перед покупкой стоит обратить внимание на рабочие параметры каждого из видов, а также на совместимость с автомобилем. Эта информация позволит избежать проблем с установкой и максимально использовать потенциал системы парковки.
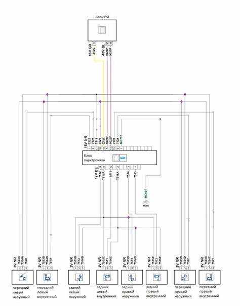
Назначение контактов устройства
Правильное соединение и использование этих контактов значительно повышает уверенность при маневрировании и снижает риски возникновения аварийных ситуаций. Рекомендуется следить за состоянием соединений для предотвращения возможных неисправностей.
Установка и подключение устройства к автомобилю
Для корректной работы системы, необходимо правильно установить и подключить устройство, что включает в себя выбор места установки и последовательность подключения проводов.
Следуйте следующему алгоритму действий:
- Выбор места для установки сенсоров:
- Для максимально точного измерения расстояния установите сенсоры в бампере автомобиля.
- Убедитесь, что их не закроют элементы кузова или другие детали.
- Подготовка поверхности:
- Очистите место установки от грязи и жира.
- Знак крепления должен быть хорошо виден.
- Подключение проводов:
- Используйте шелковую ленту или термоусадку для защиты соединений.
- Обратите внимание на правильное цветовое кодирование: подключите провода к соответствующим контактам.
- Подключение к блокам управления:
- Найдите провод, ответственный за питание устройства.
- Используйте мультиметр для проверки наличия напряжения перед подключением.
- Тестирование системы:
- После завершения установки проверьте работоспособность, запустив двигатель и задним ходом.
- Убедитесь в правильности работы сигналов звукового оповещения, наглядно демонстрирующих наличие препятствий.
Следуя этим шагам, вы обеспечите правильное подключение вашего устройства и сможете избежать многих ошибок на этапе установки. Четкий подход к выполнению каждой операции поможет добиться желаемого результата.
Инструменты для работы с распиновкой
Для работы с подключением и диагностики контактов вам понадобятся определенные инструменты. В первую очередь, стоит обратить внимание на мультиметр. Этот прибор позволит проверить целостность цепей, напряжение и сопротивление, что критически важно для оценки состояния системы.
Ключевым элементом является набор монтажных инструментов, включающий отвертки разных типоразмеров, плоскогубцы и кусачки. Без этих предметов не обойтись при работе с креплениями и проводкой. Обязательно возьмите с собой термоусадочные трубки для изоляции соединений.
Не забудьте про паяльник. Он необходим для надежного соединения проводов, особенно в случаях, когда требуется восстановление поврежденных плетений. Вместе с паяльником используйте флюс и припой для обеспечения качественной пайки.
Лупа или увеличительное стекло пригодится для внимательной проверки мелких деталей. Это особенно полезно, если требуется визуально идентифицировать повреждения или неправильные соединения.
Дополнительно рекомендуется иметь под рукой съемник изоляции. Он упростит процесс обрезки и подготовки проводов к соединению, а также снизит риск повреждения жил.
Набор различных адаптеров позволит без проблем проводить тестирование с различными типами соединений, что даст возможность работать с многими марками оборудования.
Хранение и организация инструментов — ключевой момент. Специальный кейс или контейнер упростят доступ и помогут избежать потерь предметов во время работы.
Цветовая кодировка проводов и ее значение
Правильное подключение устройств требует четкого понимания цветовой кодировки проводов. Каждый цвет обозначает определенную функцию, что упрощает процесс установки и диагностики.
- Красный: Обычно используется для питания. Этот провод отвечает за подачу напряжения к устройству.
- Черный: Чаще всего является проводом заземления. Он обеспечивает защиту от токов утечки и стабильность работы.
- Желтый: Может обозначать сигнал возврата. Важно учитывать его при установке, чтобы устройство корректно передавало данные.
- Зеленый: Обычно применяется для соединений, связанных с нарушением работы. Используется в схемах аварийного отключения.
- Синий: В некоторых случаях это провод для подключения к другим модулям, отвечающим за передачу информации.
Следует внимательно следить за цветами: перепутанные провода могут привести к неправильной работе системы или повреждению оборудования. Важно проверять документацию устройства для подтверждения назначения цветов в конкретной модели.
Рекомендуется использовать мультиметр для проверки исправности проводов перед подключением. Это поможет избежать залипания и других неполадок в будущем.
Проверка работоспособности после подключения
После завершения подключения устройства, необходимо удостовериться в его функциональности. Для этого требуются проверочные процедуры, позволяющие выявить возможные неисправности.
1. Подключите автомобильный аккумулятор. Убедитесь, что устройство получает питание. Для этого проверьте индикаторы на приборной панели. Если они не горят, проверьте соединения проводки на наличие повреждений.
3. Проведите тестовое включение системы. Активируйте режим, при котором регистратор будет видеть препятствия. Это можно сделать, например, вызвав помеху в зоне действия, например, рукой или объектом. Сигнализация об обнаружении должна активироваться, что покажет, что устройство функционирует корректно.
4. Проверьте корректность работы аудиосигналов. Некоторые устройства предоставляют звуковые сигналы в зависимости от расстояния до препятствия. Постепенно приближайте предмет к сенсорам и отслеживайте изменения в звуках. Логику сигналов можно сопоставить с документацией к устройству.
5. Если система поддерживает подключение к экрану, проверьте его отображение. Выявите возможные ошибки отображения, например, пропускаемые расстояния или неверное представление объектов.
При выявлении неисправностей следует повторно проверить соединения, а также целостность самих датчиков и их проводов. Если все параметры в норме, а устройство не работает, может потребоваться обращение к специалисту для более детальной диагностики.
| Процедура | Описание |
|---|---|
| Проверка питания | Убедитесь, что устройство получает необходимое напряжение. |
| Измерение напряжения | Проверьте значения мультиметром. |
| Тестирование работы | Проведите тест на реагирование на объекты. |
| Проверка аудиосигналов | Отслеживайте звуки в зависимости от изменения расстояния. |
| Диагностика экрана | Проверьте корректность отображения информации. |
Решение распространенных проблем системы парковки
Следует обратить внимание на некоторые распространенные трудности, возникающие в процессе эксплуатации системы помощи при парковке. Эти вопросы могут повлиять на правильность работы устройства.
Первый момент – ложные срабатывания. Если система срабатывает без видимых препятствий, стоит проверить, нет ли грязи или повреждений на датчиках. Пожалуй, такое загрязнение может снизить точность определения расстояния. Очистка поверхности датчиков мягкой тканью поможет устранить проблему.
При отсутствии отклика от системы проверяйте наличие питания. Возможно, произошел обрыв в схеме или разъемы отошли. Подключение необходимо проверить на предмет надежности контактов. В случае неисправности провода их следует заменить.
Еще одной частой проблемой является неправильная работа звуковых уведомлений. Если сигналы слишком тихие или отсутствуют, проверьте динамик и соединения. Часто причина кроется в неисправности самого динамика, и его потребуется заменить.
Кроме того, стоит обратить внимание на калибровку системы. Если передние и задние датчики показывают разные расстояния, возможно, потребуется заново откалибровать оборудование. Подробную информацию об этом можно найти в руководстве пользователя авто.
Иногда из-за помех от других электронных устройств возможно неправильное определение расстояния. В таких случаях стоит проверить расположение проводов и возможно, переосмыслить их изоляцию.
Регулярное обслуживание и своевременная диагностика помогут избежать многих вышеописанных проблем. Проводи периодические проверки на наличие повреждений и состояния подключения, что обеспечит длительную работу системы.
Советы по защите проводки и сенсора от повреждений
Для обеспечения долговечности и надежности электроники необходимо уделить внимание защите проводов и сенсора. Первым делом стоит использовать качественные изоляционные материалы. Подходящие варианты включают термоусадочные трубки и специальные изоленты, устойчивые к нагреву и влаге.
При прокладке проводки не забывайте о механических повреждениях. Избегайте острых краев и мест, где провода могут задевать о другие элементы автомобиля. Защитные трубки из ПВХ или металла помогут минимизировать риск повреждений.
Регулярно проверяйте состояние проводов. Даже микротрещины могут привести к короткому замыканию. При обнаружении подозрительных участков лучше заменить провод либо участок изоляции.
Стоит обратить внимание на места соединений. Используйте качественные клеммные колодки и крепления, чтобы избежать коррозии и плохих контактов. Для защиты от влаги можно применять герметики или специальную смазку.
Еще одним важным аспектом является грамотное крепление проводов. Они должны быть надежно зафиксированы, чтобы предотвратить растрескивание изоляции, вызванное движением компонентов автомобиля. Используйте стяжки для аккуратной укладки.
Не забывайте о защите от электромагнитных помех. При возможности выбирайте экранированные провода, особенно если они проходят вблизи источников излучения, таких как мотор или другие электрические устройства.
В случае установки в экстремальных условиях, например, под водной защитой, целесообразно применять специальные корпуса и защитные кожухи. Это поможет избежать воздействия влаги, грязи и других негативных факторов.
Инструкции по замене парковочного сенсора
Для замены парковочного сенсора потребуется несколько инструментов и понимание работы системы. Следуйте инструкциям для получения успешного результата.
Необходимые инструменты:
- Отвёртка (крестовая и плоская)
- Набор ключей или головок
- Плоскогубцы
- Изолента или термоусадочная трубка
- Защитные перчатки
Шаги по замене:
- Отключите аккумулятор. Это необходимо для обеспечения безопасности во время работы с электрическими компонентами.
- Снимите обивку кузова. Обычно это требует открытия задней части автомобиля и аккуратного снятия пластиковых накладок. Используйте плоскую отвертку, чтобы поддеть их.
- Достигните панели управления. Это может включать снятие дополнительных элементов, таких как фары или задний бампер, в зависимости от модели автомобиля.
- Отсоедините старый сенсор. Найдите проводку, подключённую к устройству. Аккуратно отключите разъём, не повреждая контактные места.
- Установите новый сенсор. Присоедините его к той же проводке, убедившись, что соединение надежное. Рекомендуется использовать изоленту для защиты контактов.
- Соберите все детали обратно. Установите панель в обратном порядке, следуя ранее снятым элементам. Убедитесь, что всё плотно зафиксировано.
- Подключите аккумулятор. Убедитесь, что система функционирует правильно. Проводите проверку работы сенсора, включив зажигание.
Проверяя работу нового элемента, обратите внимание на его отклики при движении. Если возникают проблемы, проверьте все подключения и убедитесь, что сенсор установлен корректно.
Совмещение сенсора с системой автомобиля
Для интеграции ультразвукового устройства с системой управления автомобилем необходимо учитывать несколько ключевых моментов. Установка должна происходить в соответствии с нормами, чтобы все компоненты работали согласованно.
Прежде всего, важно правильно выбрать место размещения. Чаще всего устанавливают на заднем бампере, чтобы обеспечить максимальную площадь покрытия зоны парковки. Следует избегать мест, где компоненты могут быть заблокированы или частично закрыты. Подходящие расстояния до края бампера и других элементов должны быть соблюдены для стабильной работы.
Подключение к электрооборудованию автомобиля выполняется после подготовки проводки. Необходимо учесть следующее:
| Провод | Функция |
|---|---|
| Питание (+) | Соединяется с аккумулятором, обеспечивает работу сенсора. |
| Заземление (-) | Постоянное соединение с кузовом автомобиля для обеспечения безопасности. |
| Сигнальный | Отправляет информацию в блок управления, который отвечает за обработку сигналов. |
При подключении важно обеспечить надежные электрические соединения, чтобы избежать отказов системы. Неправильная проводка может привести к искажению данных или полной неработоспособности оборудования.
После подключения необходимо протестировать систему. Задействуйте режим диагностики, чтобы убедиться в корректности функционирования. Важно также следить за модулями, которые могут быть расположены рядом, чтобы они не мешали работе устройства.
Проведение своевременной калибровки поможет в дальнейшем избежать проблем и значительно упростит пользование системой. Лучше всего проводить калибровку на открытой местности с хорошей видимостью, что обеспечит точность обнаружения объектов.






